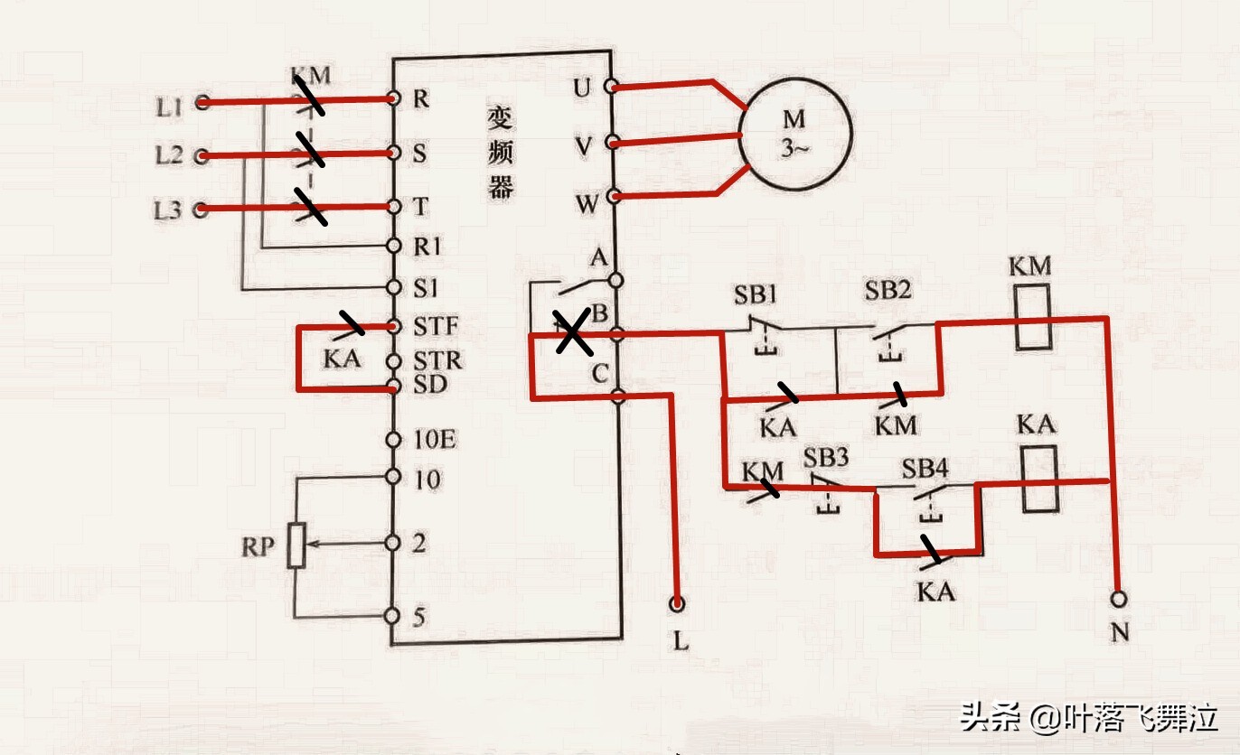
图解变频器外接按钮继电器控制正转电路
图解变频器外接按钮继电器控制正转电路
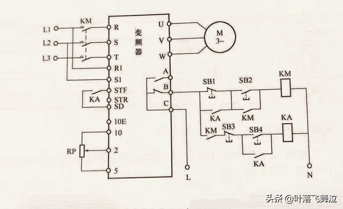
1.变频器外接按钮继电器控制正转电路

2.变频器接通工频电源(按钮SB2启动)

3.电动机正转启动(按钮SB4)

4.电动机调速(RP电位器调频)

5.变频器异常保护(B\C端子)

6.正常停止(按下按钮SB3)

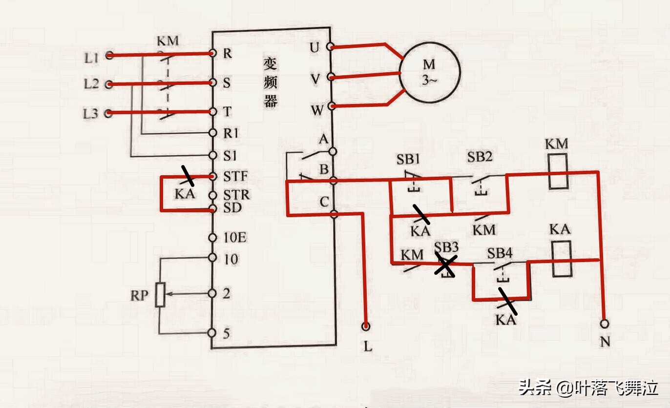
图解变频器外接按钮继电器控制正转电路
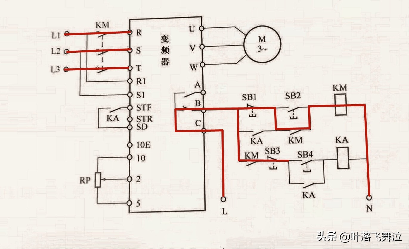
1.变频器外接按钮继电器控制正转电路

2.变频器接通工频电源(按钮SB2启动)

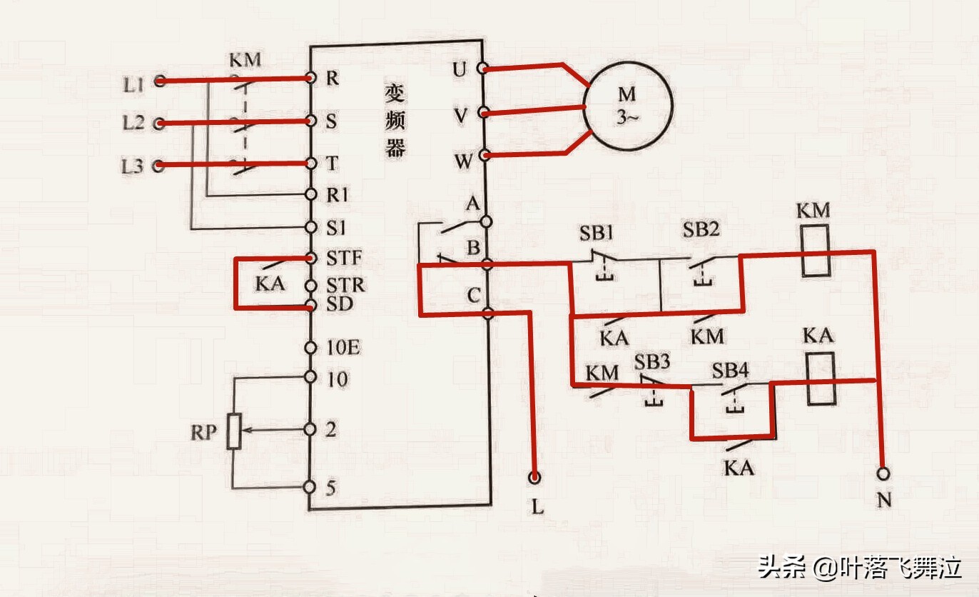
3.电动机正转启动(按钮SB4)

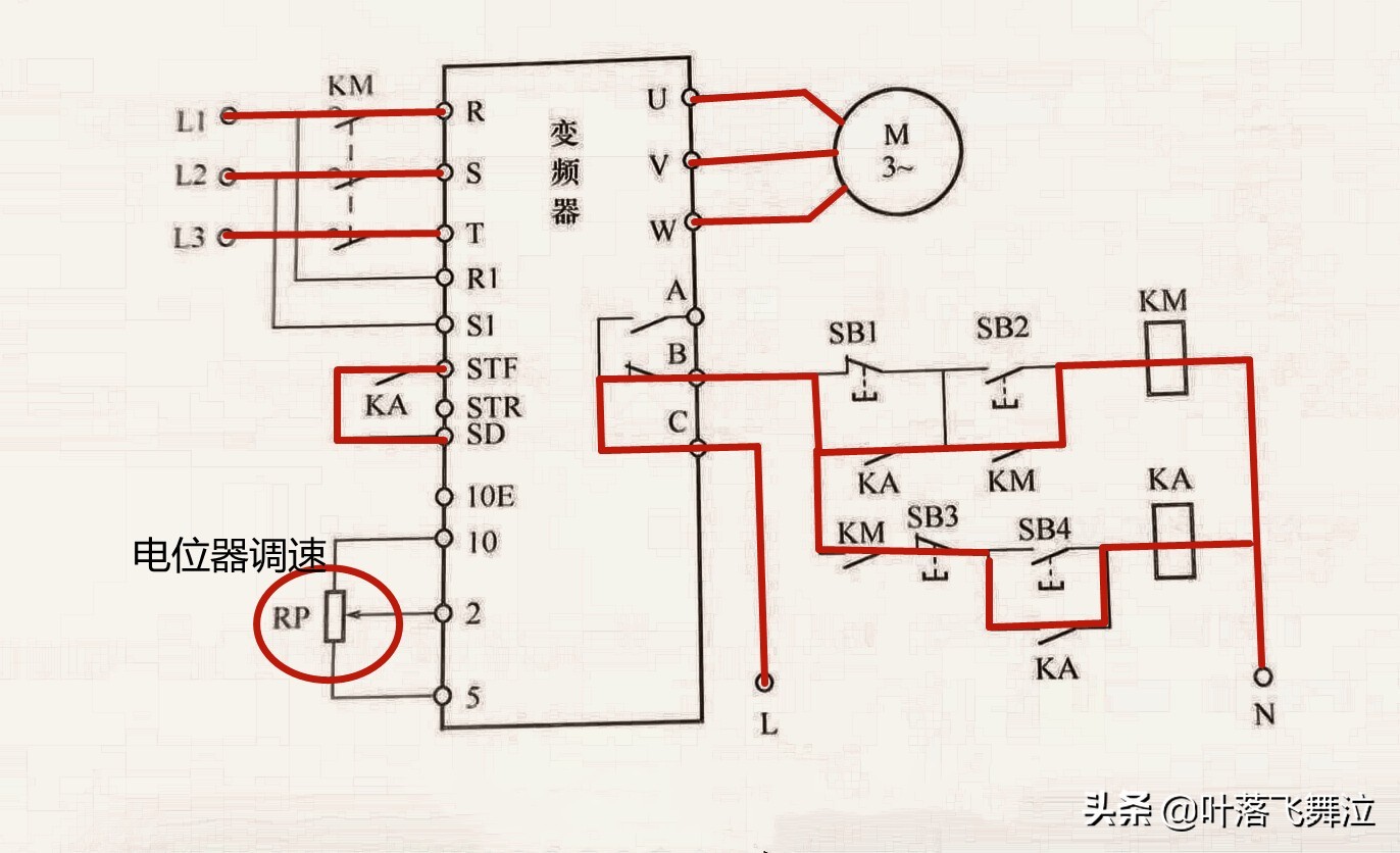
4.电动机调速(RP电位器调频)

5.变频器异常保护(B\C端子)

6.正常停止(按下按钮SB3)

Henry请求私生饭不要再打电话 私生饭遭围攻 HenrySuper Junior-M的成员Henry日前在推特上请求私生饭不要再打电话给他。而此事让粉丝们对于私生饭的行为十分不满,两股力量在网络上已经展...
家人们,今天分享个超级好吃的烤火腿肠,你一定没这样吃过! 家人们,今天分享个超级好吃的烤火腿肠,真是太太好吃了!酥酥脆脆的,一口一口嘎嘎炫!再配上个番茄酱,真的绝配...
几张看起来很不错的麋鹿美图 一直很喜欢麋鹿,分享几张看起来很不错的麋鹿美图,非常值得收藏,高超的摄影及后期技巧,让画面看起来充满温暖和爱的味道,希望你会喜欢。...
马爷说文化|早期六畜排序为何马排最前? 【玉猪 汉】 【陶蹲猪 汉】 【深黄釉卧猪 隋】 【泥制猪 清晚期】 【三彩马 唐】 【陶黄釉牛 隋】 ▼喜欢你就点个 赞 !...
海贼王实力最强者竟然是他?出海以来未尝一败! 海贼王当中谁的实力最强?曾经有人猜测是白胡子或者猜测是红发和凯多的,但是经过海贼王的粉丝们仔细分析以后竟然有一个出海以...
《X特遣队》新剧照放出 小丑独自面对镜头邪魅气质不减 近日,《X特遣队》(又名《自杀小队》)又为我们放出了最新一组剧照,只见剧照中的小丑独自面对镜头,邪魅气质不减。该片...
这些公认黑榜狗粮!你们家不会还在喂吧? 养狗新手选粮前一定要看这篇 这些公认的黑榜狗粮 你们家不会还在用吧? 狗粮如果选不好 真的害狗不浅 像家里狗狗挑食,需要长肉肉 可以...
网络适配器怎么修复 大家好,今天分享一篇来自小白系统官网(xiaobaixitong.com)的图文教程。最近有用户反馈自己的电脑上不了网,提示“适配器未连接”那么要如何解决该问题呢?一...
山东司法警官职业学院2021年省内专业最低录取分数线及位次 山东司法警官职业学院是公办专科院校,是全国政法干警招录培养体制改革试点院校,像司法、警官、政法类院校,录取线...
江苏苏州一小区煤气罐爆炸引发火灾?消防:起火点煤气罐未炸,无伤亡 江苏苏州一小区煤气罐爆炸引发火灾?消防:起火点煤气罐未炸,无伤亡 8月21日,江苏省苏州市吴中区盛泽镇...
美股暴跌! 美股三大股指4日收盘暴跌,纳指进入熊市 当地时间4月4日,美国股市连续第二天遭受重创,当日收盘暴跌。道琼斯工业平均指数比前一交易日下跌2231.07点,收于38314.86点,...
范加尔正式告别足坛 不再应聘任何足球职位 【范加尔正式告别足坛 不再应聘任何足球职位】欧媒报道,荷兰名帅范加尔,今晨通过一档荷兰电视节目,宣布自己彻底退出足坛正式退休...
2.7亿年活化石、全球极危物种斑鳖濒临灭绝!全球仅存2只雄性,其中1只在中国 4月26日,据媒体报道:苏州上方山国家森林公园内,生活着全球极危物种——斑鳖。作为淡水龟鳖类进化...
伊能静晒出一组28年前清纯旧照,自称:姐可是有过去的,只是很久不出来混了 2月8日晚,伊能静晒出一组28年前清纯旧照,照片中,伊能静一头时尚的长卷发,戴着礼帽,一脸的青涩。...
苏军忠实的伙伴:苏联托卡列夫tt33手枪 托卡列夫tt33手枪是20世纪30年代苏联军队的制式手枪。是苏联枪械大师费德尔,华西列维奇,托卡列夫的杰作。有威力大,精度高,穿透力强,结...
崔振赫拍戏受伤 直接送往医院眼部缝了30针 崔振赫 据韩国媒体报道19日,韩国演员崔振赫所属公司的经纪公司相关人士表示:“崔振赫在拍摄剑道戏份时,眼部手术,直接送往医院,缝...
太阳能控制器电路图 太阳能控制器电路图(二) 12V 20A 太阳能充电控制器电路图 IC1 TLC2272Cp IC2 CD4013BE CMOS Q1 2N3904 Q2 IRF4905 Q3 2N3905 D1 1N4148 D2 20L15T ZD1 1N5242 12V 稳压二极管 LED1 红/绿双色...
日本歌唱家吉田亚纪子(KOKIA) 吉田亚纪子(KOKIA)是一位出生于日本东京的女歌手、演员和配音演员。她以其独特的艺术风格和才华而闻名,成为了日本流行音乐界的一颗耀眼明星。...
ios12系统正式版官方内置自带壁纸原图高清 苹果手机壁纸分享 [闽南网] 苹果手机iOS12系统官方壁纸高清原图大全~iOS12正式版本已经发布啦!相信很多人都想要得到这里面的高清壁纸吧,比...
医师技能、笔试考试2025年时间安排! 2025年医师资格考试实践技能考试时间,综合考试时间,二试考试时间安排如下: 2025年医师资格 技能考试时间:2025年6月14日-25日 实践技能考试合...